设为首页
加入收藏
联系站长
   | 网站首页 | 资讯 | 文章 | 供求 | 生活 | NGO | 考试 | 旅游 | 下载 | 图库 | 论坛 | 博客 | 留言 | 帮助 | 
您现在的位置: 中国环境生态网 >> 文章 >> 环境学 >> 污染治理篇 >> 治理技术 >> 其他实用技术 >> 文章正文 用户登录 新用户注册
[组图]城市供水系统防冻抗冻技术措施           ★★★ 【字体:
…保护视力色: 杏仁黄 秋叶褐 胭脂红 芥末绿 天蓝 雪青 灰 银河白(默认色)
城市供水系统防冻抗冻技术措施
http://www.eedu.org.cn    作者:佚名    文章来源:建设部    点击数:    更新时间:2008-2-25
图一

  居民防冻知识

  一是居民家中水管、水表、水龙头等用水设施,可以使用保温材料(玻璃纤维布、棉麻织物、塑料泡沫、草绳等)进行缠绕裹紧,背阴处的供水设施应加厚绑扎。室内水表还可使用水表防冻罩。

  二是对于楼顶水箱应盖好水箱顶盖,并将水箱的上下进水管及阀门等用保温材料缠绕裹紧。对于安装在室外的水管,可用保暖物品(如棉花、棉布、麻织物、草带、草绳等物)将水管及阀门裹好,裹护物要保持干燥,不要有水沾湿,并要裹得严实紧凑,然后再用塑料袋(膜)包住或塑料带缠绕。

  三是对于安装在室外水表井内的水表,要清除井内的积水,井内无漏水处,确保其干燥,并填上砂子、锯沫等至水表紫铜的边缘。

  四是夜晚应关闭楼道、厨房、厕所对外以及所有背阴房间的窗户,保证室内的温度在零摄氏度以上,同时关闭室内水表阀门,打开水龙头,放尽水管中剩水。

  五是在严寒天气(-3℃以下),最好在晚间用水后稍稍拧开水龙头,将水龙头保持很小的滴流状态,保证水管内自来水流动,防止夜间被冻住。

  六是对已冻住的水管,宜先拧开水龙头,用热毛巾包裹水龙头,然后浇温水,用温水沿水龙头慢慢向水管浇洒,使水管解冻,切不可用力拧或用工具强行打开。若浇至水表处仍不见有水流出,则说明水表也冻住了,此时在水表上包上热毛巾用温水浇洒,使水表解冻,切忌用火烘烤,防止水表损坏。

  七是居民最好在晚上做好贮水准备,最好是热水,以避免给次日清晨生活造成不便。

  水厂、输配水管线防冻措施

  一、水厂防冻及安全运行

  1.城市供水系统要做到科学调度,根据需水量变化及时调整供水管网压力,确保管网压力平衡以减少供水干管“爆管”现象发生。对于容易结冰的部位,不要停止运行,同时要尽量保持一个较高的运行负荷。注意由于温度低氯气反应不完全而带来的余氯量增大问题,做好清水池保温以保证氯气反应完全,并适当增加出厂水化验次数,时刻观察水质情况,确保余氯合格。

  2. 加药管道:一般加氯间高压水管线易结冻,应观察和注意高压水管线及水射器周边管件,并采取相应防冻措施,如可外缠伴热带或外包保温材料等。加药管道一旦结冰,可在原管沟中铺设一条新的加药管道,投入运行。对于已结冰的管道,可在管道外缠伴热带,通电后为其解冻。

  3.自然蒸发的加氯系统:为保证投氯量,可在氯瓶外缠伴热带或电热毯,但需严格控制温度不得大于30°C。

  4.室外沉淀池、滤池:建在室外的沉淀池、滤池一旦结冰,要立即组织人力,将池面四周的结冰凿开,同时在运行中要经常调整运行负荷,使池内水面处于一个流动状态。也可以在池口铺设塑料薄膜来保温,以防止池面结冰冻坏混凝土水池。室外平流沉淀池可在端侧表层水下布一根管身均匀开孔的布水管,利用水泵通上高压水,保证在平流池表层有活水流,防止结冰冻坏混凝土池。

  5.排气排泥设施防冻:室外排气、排泥等设施,由于有积水问题,应尽量排空,防止局部结冻。

  6.闸井、设施井:采用草袋子等保暖物品覆盖或可增加一层聚氨酯泡沫板,做成双层井盖保温。严禁向井室内倒水,倒雪。

  7.明管:设外包保温材料或保持一定量水的流速。

  二、输配水管线防冻及安全运行

  1.阀门控制措施:如有半开半闭等未全开启的阀门,在保证管网压力能够承受的前提下,尽量开大或全开,增加管网流速,以减小管网内碎冰茬梗阻情况,保证管网内水体流动不结冻。

  2.如现已停水,应在正式送水前考虑检修阀、排气阀、水表等设施配件是否已被冻坏冻裂,正式送水后是否需要进行更换,并提前进行配件储备。特别是排气阀要绝对保证安全,防止水锤爆管。

  3.闸井、设施井、明管:防冻措施同水厂。阀门和消火栓采用草袋子等保暖物品覆盖。一旦管网冻裂,将立即关闸止水,组织抢修,采取有效调度措施,利用其他环状管网向事故地区供水。

  4.对于未冻结的管线,可以采取长流水的方法,通过在适当地点(如在管线低点处及管网入户处等不利点)增加放流,或者利用管道泵强制水循环流动等措施,保证管线内水流动,预防管线冻结。

  5.对于已冻结的管线,在不妨碍交通的路段,在管线上堆放炉灰提高温度或采用点燃稻草壳、锯末等进行长时间覆盖加热,待其慢融,在几天内管线可以自行解冻,但需注意管道冻裂后的漏水问题。发生冻管后,管道维修时尽量采用柔口即伸缩接头、哈夫节快速接头等方法。如阀门被冻,不能直接用热水烫,易裂,应采取缓慢加热解冻的方式。

  6.对于已冻结的管线,也可以采用局部用热水、火烤、蒸汽加热融化的快速解决方法。如果外露小管线被冻(DN200左右),可使用电焊机,通过被冻管线使零线和焊钳短路进行解冻。还可使用电热蒸汽解冻,或采用电阻线缠绕通电的方式进行加热解冻。不要用喷灯烤,以防受热不均匀。

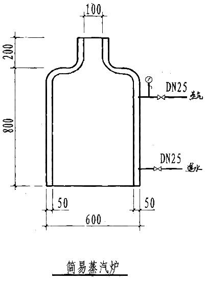
  对于距离较长管线,较好的解决方法是将管道断开,利用蒸汽对管内进行加热。制作简易小型蒸汽炉的方法是:利用煤气罐和炉排,在炉排上用钢板制作小型蒸汽炉,炉内空,点火加热,外设两层,夹层内下进水,上出蒸汽,在出汽端设压力表和阀门,控制出汽压力。利用蒸汽对管内进行加热,能使冰冻迅速溶解。

  简易小型蒸汽炉制作时要注意满足压力容器的有关规定。具体制作方式见图一。

  扬州市改造居民住宅配水系统的防冻保温经验

  一、根据不同的供水系统确定防冻保温措施

  扬州本地的住房结构,大体分为两种,一种是用水单元(如卫生间、厨房)靠近楼梯道,另一种是用水单元不靠近楼梯道(如图二)。

  对于这两种情况,分别采用保温方式:

  第一种方式是表后管道沿楼梯道的一角从上到下铺设,通过打墙洞入户,与室内用水管道碰接,管道上面铺设保温棉,用钢丝网固定,再用C20水泥沙浆做保护层(简称内保温)(如图三);内保温施工比较方便,操作简单,保温效果好,维修方便,施工费用比较低,但外形不美观。

  另一种方式是表后管道集中采用保温冶棉进行保温,再用直径为DN160的PVC排水管进行保护,沿外墙壁铺设,在每层再分别通过打墙洞入室与室内管道碰接(简称外保温)(如图四)。外保温施工比较复杂,需要搭脚手架,维修不方便,保温效果不如内保温,施工费用较高,但比较美观。

  二、管材的确定

  经过几年的实践发现铝塑复合管抗冻性能比较差,发现PE管抗冻性能比较高,材质柔软,水力条件好,内壁光滑,在一定范围内可以随意弯曲,施工方便。

  三、防冻措施

  扬州地区的地理气候条件,冬季最低气温会达到零下7摄氏度左右,这对水表出户改造工程的防冻技术提出很高要求。结合这几年的实践,内保温基本能满足防冻要求,外保温则需要在几个技术措施方面特别重视:

  1.保温冶棉厚度要不小于30mm,

  2.保温冶棉接头处要裹严,确保不留空隙,

  3.要提高管道进户口的密封性,施工时应将PVC套管外壁打毛,PVC管端口插入墙洞中,填入油麻后再填塞水泥沙浆,这样保温效果非常好;

  4.PVC管连接要牢固,以防雨水渗入。

  四、水表的防冻技术

  用户的水表都由室内转移到室外集中的水表箱内,湿式水表在室外温度下降到0℃左右的时候就有上冻的可能。

  经过实践比较,目前有3种方案:

  方案一:加深水表的埋设深度,这样可以依靠地热来保护水表,但是抄表不方便,造价也高。

  方案二:使用定做的泡沫外壳套住水表,此法能有效地起到保温作用,降低了成本,但是抄表不便。而且泡沫的定做尺寸与现场难以吻合。

  方案三:在水表箱内填黄砂,这样可以很好地起到保温效果,也能大大降低成本。方案三在水表箱内填黄砂是比较经济实用的一种方法,在表箱内填黄砂至水表的紫铜边缘,这样的防寒保温效果明显。

 
图二、图三
 
 
图四
文章录入:ahaoxie    责任编辑:ahaoxie 
  • 上一篇文章:

  • 下一篇文章: 没有了
  • 发表评论】【加入收藏】【告诉好友】【打印此文】【关闭窗口
    没有相关文章
    (只显示最新10条。评论内容只代表网友观点,与本站立场无关!)
    | 设为首页 | 加入收藏 | 联系站长 | 友情链接 | 版权申明 | 管理登录 |