设为首页
加入收藏
联系站长
   | 网站首页 | 资讯 | 文章 | 生活 | NGO | 考试 | 下载 | 图库 | 论坛 | 博客 | Eteam | Ieco | 产业 | 留言 | 
您现在的位置: 中国环境生态网 >> 文章 >> 环境学 >> 污染治理篇 >> 治理技术 >> 水体污染治理 >> 文章正文 用户登录 新用户注册
[图文]重金属离子废水处理站的设计       ★★★ 【字体:
…保护视力色: 杏仁黄 秋叶褐 胭脂红 芥末绿 天蓝 雪青 灰 银河白(默认色)
重金属离子废水处理站的设计
作者:陈家强    文章来源:本站收集    点击数:    更新时间:2006-5-23

 

  3.3.8离子交换柱封头设计

  采用标准椭圆形封头,封头用碳素钢材料制成

  标准椭圆形封头壁厚计算公式

  δ=PDi/(2[σ]tφ-0.5P)+C1+C2

  已知 P=1MPa Di=1800mm [σ]t=170MPa φ=1(整体冲压) Ci=0.6mm(钢板负偏差)

  C2=1mm(单向腐蚀)

  δ=(1×1800)/(2×170×1-0.5×1)+1=6mm

  当碳素钢封头厚度在4~8mm,封头直边h高度取25mm 

  

  3.3.9离子交换柱的支座设计 采用支承式支座

  用钢板组焊接的支承式支座已经标准化,通过查表得

  Di=1800mm时,支座的主体负荷为2.5T

  支座的支承面积为444cm2

  支承面上的单位压力为5.6×10-1MPa

  支座尺寸L=290mm H=350mm a=180mm b=215mm c=250mm e=90mm s=16mm

  地脚螺栓尺寸孔径d=30mm 直径M24

  每个支座质量23.4kg 采用三个支座

  支座规格表见标注3

  3.3.10离子交换柱的开孔及补强,凸缘设计。

  当筒体内径Di﹥1500mm时,开孔最大直径d≦Di/3 且d≦1000mm

  接入再生液进口管时,S=4mm d=40mm 查表得开孔规格

  外径D=160mm 内径d=80mm

  转型液进口管和淋洗水进口管管径均为40mm S=6mm 查表得开孔规格

  外径D=160mm 内径d=80mm

  接入排气管时 S=6mm d=90mm 查表得开孔规格

  外径D=180mm 内径d=93mm

  接入进水管时 S=6mm d=100mm 查表得开孔规格

  外径D=200mm 内径d=112mm

  开孔规格表见标注4

  以上开孔后均采用凸缘代替接管,凸缘本身具有加强开孔的作用,不需要另行补强缺点是螺栓断在螺栓孔中后,取出较困难。凸缘与管道法兰配用,因此其连接尺寸应根据所选用的管法兰确定。

  3.3.11离子交换柱法兰联接设计

  法兰联接是由一对法兰,若干螺栓螺母和一个垫片组成法兰技术发展至今,已有一套法兰标准规格。

  对于离子交换柱筒体其公称直径Di=1800mm

  采用甲型平焊法兰,平面型密封面,法兰的各部分尺寸查表得知:

  法兰尺寸表见标注5

  法兰的标准号为JB1158—82

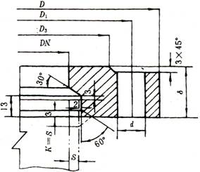
  法兰尺寸 D=1930㎜,D1=1890㎜,D2=1855㎜,D3=1841㎜,D4=1838㎜,

  δ=56㎜,d=23㎜,

  螺栓规格:M20 数量52,垫片材料选用石棉橡胶板,螺栓材料选用Q235-A,

  螺母材料选用Q215-A。

  法兰尺寸示意图规格如右图:

  

  对于离子交换柱的管道法兰,如下表:

   PN0.6MPa凸面板式平焊钢制管法兰(GB9119.6 -88)㎜

公称直径DN
管子外径A
连 接 尺 寸
密封面
法兰厚度C
法兰内径B
法兰理论质量
法兰外径D
螺栓孔中心圆直径K
螺栓孔径L
螺栓
数量N
螺纹Th.
d
f
40
48.3
130
100
14
4
M12
78
3
16
49.5
1.17
100
114.3
210
170
18
4
M16
114
3
18
116.0
2.85

  再生液进水管,淋洗水进水管,转型液进水管的管径均为40㎜,排气管管径为90㎜,进水管管径为100㎜,所以采取以上两种法兰。

  管法兰尺寸示意图规格如下:

  

  管法兰尺寸见标注6

  3.3.12离子交换柱的人孔设计

  因本离子交换柱直径为1800㎜,所以应开设人孔,人孔的形状有圆形和椭圆形两种,圆形人孔的直径一般为450—600㎜,本设计中取D=500㎜。

  人孔主要由简节、法兰、盖板和手柄组成,本设计中采用回转盖人孔。

  人孔的规格为:人孔AⅣPN1.0DN500 JB580—79,

  人孔补强,本设计选用的人孔简节内径d=500㎜,厚δn=4㎜,

  补强圈尺寸确定如下:内径D1=534㎜,外径D2=840㎜,

  补强圈厚度按下式估算:δ=d×δe/(D2- D1)=500×(4-0.5)/(840-534)=5.7㎜,

  考虑离子交换柱体与人孔简节都有一定的壁厚裕量,故补强圈取5㎜。

  人孔简图如下:

  

  3.3.13离子交换柱支承装置及填料压板

  填料支承结构不但要有足够的刚度和强度,而且必须要有足够的自由截面,使在支承处不致首先发生液泛。

  在本设计中,采用的支承结构是栅板,因离子交换柱的直径是1800㎜,故采用分块式栅板。当塔径为1800㎜时,根据经验设计尺寸得:

  栅板分块数:5

  填料环直径50㎜

  D=1710㎜

  h×s=60×10

  t=50

  栅板1:I1=418㎜,栅条数8,连接板长度418㎜,

  栅板2:I=418㎜,栅条数7,连接板长度368㎜,

  支持圈数量8

  支持圈:b=60㎜,δ(碳钢)=10

  尺寸示意图如右图:

  

  3.3.14上下布水系统设计计算

  上下布水系统的作用主要是保证布水均匀,并防止树脂逸出。

  在本设计中,上下布水系统均采用多孔板排水帽式(如下图),其优点是易损坏,其尺寸规格如下:水帽隙缝长50mm,隙缝宽0.3~0.4mm,材料为聚苯乙烯或尼龙1010(耐热,机械强度高)

  

  水帽尺寸如下图

  

  3.3.15废酸碱液槽、重金属回收槽、中和池的尺寸设计

  废酸收集槽的作用是收集再生后淋洗水,所以废酸收集槽的容积=V再生洗脱液=69.636m3

  考虑水的流量变化 取V=72m3池深取3m 长取6m 宽取4m

  废碱收集槽的作用是收集转型废液和转型后淋洗水,V=V转型剂用量+V转型后淋洗水=17.409m3+69.636 m3=87.045m3,考虑水的流量变化 取V=90m3。池深取3m 长取6m 宽取5m。

  中和池是废酸液和废碱液进行中和的场所,其容积应为废酸收集槽容积和废碱收集槽的容积之和,即V中和=72m3+90m3=162m3,池深取3m 长取9m 宽取6m。

  重金属回收槽的作用的收集再生洗脱液,所以重金属回收槽的容积V重金属回收槽=17m3,考虑水的流量变化 取V=20m3,池深取3m,长取3.5m,宽取2m。

  转型液、再生液槽的容积通常为所需转型液容积的3倍。所需转型液的容积为17m3

  所以V转型取50m3,所需再生液容积为17m3,所以V再生取50m3.两个池深均取3m,长宽均取4m.

上一页  [1] [2] [3] [4] [5] [6] [7] [8] 下一页  

文章录入:anny    责任编辑:ahaoxie 
  • 上一篇文章:

  • 下一篇文章:
  • 发表评论】【加入收藏】【告诉好友】【打印此文】【关闭窗口
    SBR工艺设计探讨
    用于废水处理设计和运行的国
    废物最少化专家系统的设计
    几种吸附材料处理重金属废水
    电镀重金属废水治理技术的现
    关于城市污水处理厂设计的若
    活性污泥处理重金属废水的研
    私家庭院:属于心灵的“一方
    居住区绿地景观生态系统规模
    美、日、德景观设计比较
    (只显示最新10条。评论内容只代表网友观点,与本站立场无关!)
    | 设为首页 | 加入收藏 | 联系站长 | 友情链接 | 版权申明 | 管理登录 |