| 首页 | 资讯 | 文章 | 供求 | 汇展 | 水资源 | 读书 | 生活 | NGO | 考试 | 旅游 | 低碳 | 下载 | 图库 | 留言 | 
最新公告:

  没有公告

您现在的位置: 环境生态网 >> 供求 >> 仪器仪表 >> 其它 >> 供求信息信息
美国公司走航式二氧化碳检测系统 【字体:

信息标题: 美国公司走航式二氧化碳检测系统
信息类型: 供应
交易方式: 邮购
发 布 人: haiyi
发布日期: 2017/11/29 14:49:58
有效期至: 长期有效

详细内容

美国General Oceanics公司

8050型走航式二氧化碳检测系统

 

 

我们常常将海水中CO2的有效压力(fCO2)与覆盖海洋表层大气中CO2的有效压力的差值即fCO2作为海洋与大气交换CO2的热力学驱动力。通量F表示为:F=k×s×fCO2,这里k表示气体传输速率是风速的函数;s表示溶解度是海水温度和盐度的函数;fCO2直接与CO2的分压即pCO2相关。然而自然界中,海水与大气进行CO2交换的平衡状态会因风速、海水温度和盐度等因素不断发生变化,从而很难精确测量海水与大气交换CO2的通量。然而由General Oeanics研发的8050型走航式二氧化碳检测系统拥有足够的时间和空间分辨率完成这项工作。

8050型走航式二氧化碳检测系统用来自动测量表层二氧化碳分压(pCO2)和大气pCO2。同时也可以外接意大利IDRONAUT公司OCEAN SEVEN 315 CTD 船用走航式多参数水质仪,监测表层海水的电导率、溶解氧、PH值、温度、ORP、压力(计算盐度)、叶绿素、浊度等环境参数。

系统可以用于船舶上走航式测量,也可以用于各种海上平台。该系统可以实现全自动运行,其主要组件包括:

        平衡器:将海水中溶解态的CO2以气体的形式释放出来,气室顶部有一个喷嘴

        红外分析仪/激光分析仪(可用户自己提供):用于测量平衡器中释放出来的气态CO2的浓度

   整套系统的阀门和泵,用于控制和监测海水的流动、平衡器、海洋上空大气以及CO2标气

        卫星通信箱,进行GPS定位,大气压力数据测量,以及卫星数据的传输

   笔记本电脑,电脑接口和软件,控制阀和泵并记录数据(压力,温度,水流,分析仪响应,日期,时间和位置)


?    系统组成

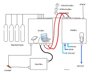
系统分为4个密闭箱体:干箱(Dry Box)、湿箱(Wet Box)、卫星通信箱(Satellite Deck Box)和激光分析仪。

   干箱中放置电控阀(控制流过分析仪的气体),气流传感器,计算机和固态继电器的接口,以及8个气体接口。每个接口具有一个针形阀,用于调节气体流速。三路电磁阀控制气体到分析室内(平衡上部的气室)。干箱与其他两个箱之间的通讯采用RS485模块和电缆。

 

   湿箱中包含主副平衡器,电驱动阀,压力计,可调节阀门,循环水过滤器,水流传感器,气压计,温度探头,冷凝单元,两个Naphion干燥管,三个空气泵。后进入湿盒中,海水进入湿盒后,通过可重复使用的过滤器(可使用淡水自动冲洗)。过滤器后面有一个可调的阀门,可控制水样进入到平衡器内。气体与平衡器排气孔周围的空气交换,保证了气体中的CO2浓度与主气室内的浓度一致。气压计和温度传感器内置在主平衡器中。海水靠重力排出湿箱。

湿箱中的一个空气泵将气体从主平衡器的顶部气室排出并使气体通过冷凝器,Naphion干燥管,然后进入二氧化碳分析仪。另一个泵从外部吸入空气,并推动空气通过冷凝器。之后气流被分成两股,一股流向通风室,一股流向干燥管并进入CO2分析仪。通风室经过干燥的空气在由第三空气泵的作用下,又反向流过干燥管。

 

   卫星通信箱可适应多种气候,含有铱星卫星通信的调制解调器,高精度气压计,电源,和数据通讯模块。数据通信模块和一个GPS相连。一个10芯电缆连接卫星通信箱和干箱(标配为25m的电缆;电缆最长可达1000m)。

一个舱壁管接头用于通过Gill压力孔与气压计相连接(标配不提供压力孔,如需要,请说明)。

  

   激光分析仪使用美国Picarro公司G2301型激光分析仪,该款分析仪较红外分析仪操作更加方便,数据更稳定,可靠性更高。

  

         外形尺寸

 

长(cm

宽(cm

高(cm

干箱

61

61

25.4

湿箱

61

61

25.4

卫星通信箱

35.6

26.7

20.4

激光分析仪

43.2

44.5

25

 

   

系统连接示意图

?    系统选择配置的部件

   船只穿壁海水进样阀门管道是一套被Lloyd认证的水下直线型、自容式装置,该装置的所有暴露部件都是由塑料或不锈钢材料制造的。如果发生灾难性故障时,一个截流装置(含继电器)将关闭外部采集海水的抽水机。在距离壳体几英寸下,一个取样装置采集海水(参见进样管道装置的示意图)。用户可以在取样装置上选择安装一个温度传感器(即Idronaut的多参数系统的遥测温度传感器,测量海洋表层的温度)和一个氯气释放器(功能:抑制微生物的生长)。

 

  

OCEAN SEVEN 315 船用走航式多参数水质仪用于对淡水或海水环境的长期监测及数据收集。仪器可配备两个温度计:主要的一个温度计位于内部,用来测量流过电导池水体的温度,从而计算盐度;另一个是遥测的温度计,遥测距离最大可达15m,可选择安装,位于靠近船体进水口的地方,用来精确测量水温。整套设备安装在一个紧凑的防水的不锈钢单元内,测量室由透明的丙烯酸制成,非常容易清洗。测量室中的水体只需250mL,保证了极短的响应时间。内置一个压力传感器,用来准确测量流量。所有的传感器都是由IDRONAUT制造,并远销世界各地。该系统可以以高达20Hz的频率实时测量,读取,存储和数据。通讯端口为RS232C串行端口,也可安装RS485或蓝牙通讯端口。其他两个可选的模拟端口可外接荧光和浊度传感器。内置的512 MB内存最多可存储4,000,000组数据。

参数

测量范围

精度

分辨率

时间常数

压力

0~10dbar

0.05%满量程

0.002%满量程

50ms

温度

-350

0.003

0.002

50ms

电导

0~70ms/cm

0.003ms/cm

0.0003ms/cm

50ms

溶解氧

0~50ppm

0.1ppm

0.01ppm

3s

0~500%sat

1%sat

0.1%sat

3s

pH

0~14pH

0.01pH

0.001pH

3s

氧化还原电位

+/-1000mV

1mV

0.1mV

3s

遥测温度

-350

0.01

0.002

3s

叶绿素

51550150

μg/l自动选择

 

灵敏度:1.00.33

0.10.033V/μg/l

 

浊度

25125500750FTU/NTU自动选择

0.050.2515FTU/NTU

0.0050.0250.10.5FTU/NTU

 

在海水测量中,运用联合国教科文组织(UNESCO)的公式通过计算测量得到的参数,亦可得到以下数据:盐度,声速,水密度,溶解氧(ppm)。

免责声明:本文仅代表作者个人观点,与环境生态网无关。其原创性以及文中陈述文字和内容未经本站证实,对本文以及其中全部或者部分内容、文字的真实性、完整性、及时性本站不作任何保证或承诺,请网友仅作参考,并请自行核实相关内容。

联系人〖haiyi〗信息
发 布 人: haiyi
所属区域: 上海市省松江区市
联系地址:
邮  编:
Email: info@oceanen-tech.com
公 司 名:
部  门:
公司地址:
发表评论】【加入收藏】【关闭窗口
  网友评论:(只显示最新10条。评论内容只代表网友观点,与本站立场无关!)

| 设为首页 | 加入收藏 | 联系站长 | 友情链接 | 版权申明 | 管理登录 | 
环境生态网 版权所有 Copyright© 2004-2025 环境生态网
本站域名 http://www.eedu.net.cn 粤ICP备2025510473号 粤公网安备 44010602001297号
本站声明 本站所有资料,版权归原作者所有! 站长:ahaoxie
模板设计:梅子
信息产业部备案
粤ICP备09031317号